Артикул:
F27
Подъемник ножничный F27
Ножничный подъемник для шиномонтажка F27 предназначен для шиномонтажных работ и для первичного осмотра автомобилей (массой до 2,6 т), в том числе неисправных.
Особенности ножничного подъёмника F27
Подъемник оснащен выносным электрогидравлическим приводом и обладает целым рядом преимуществ:
легкой и компактной складной конструкцией,
мобильностью,
длительным сроком эксплуатации,
широким спектром применения (ремонт и обслуживание автомобилей, выполнение окрасочных, кузовных и тюнинговых работ).
для первичного осмотра а/м + оснащен выносным электрогидравлическим приводом
Подъемник F27 может быть собран и введен в эксплуатацию в очень сжатые сроки (не более часа).
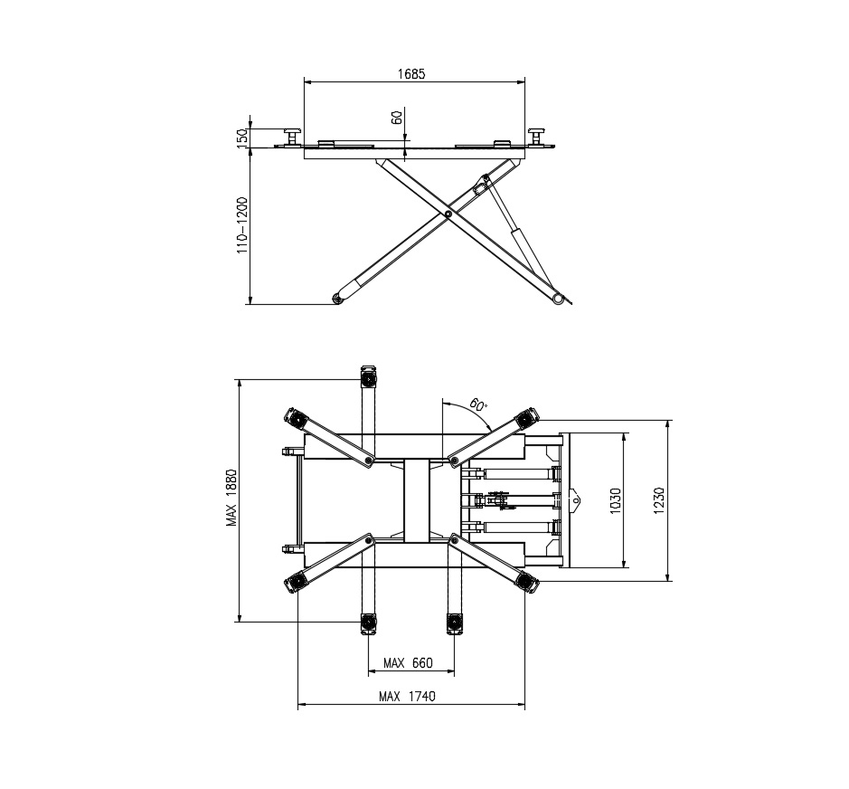
Подъемник F27 обеспечивает подъем машины на нужную высоту и надежную фиксацию положения. Основными характеристиками и критериями выбора является высота подъема, грузоподъемность и длина платформы.
В комплект поставки подъемника F27 входят высокие адаптеры, что позволяет использовать подъемник для вывешивания автомобилей с обвеской (пороги, молдинги).
Подъемник F27 действительно несложно переместить - силовая установка смонтирована на тележке, которая имеет крепление и колеса для зацепления и перемещения подъемника.
Мощность, кВт 2,2
Грузоподъемность подъемника, кг 2700
Вид подъемника, легковой
Тип привода подъемника, электрогидравлический
Напряжение питания, 220
Цвет, синий
Высота подъема максимальная, мм 1375
Высота подхватов, мм 60/105/175
Длина платформы, мм 1685
Ширина платформы, мм 1030
Время подъема/опускания, сек 30
Габариты, мм, место №1 2300x1080x270
Габариты, мм, место №2 920x400x470
Масса (нетто/брутто) кг 434/451
Ножничный подъемник для шиномонтажка F27 предназначен для шиномонтажных работ и для первичного осмотра автомобилей (массой до 2,6 т), в том числе неисправных.
Особенности ножничного подъёмника F27
Подъемник оснащен выносным электрогидравлическим приводом и обладает целым рядом преимуществ:
легкой и компактной складной конструкцией,
мобильностью,
длительным сроком эксплуатации,
широким спектром применения (ремонт и обслуживание автомобилей, выполнение окрасочных, кузовных и тюнинговых работ).
для первичного осмотра а/м + оснащен выносным электрогидравлическим приводом
Подъемник F27 может быть собран и введен в эксплуатацию в очень сжатые сроки (не более часа).
Подъемник F27 обеспечивает подъем машины на нужную высоту и надежную фиксацию положения. Основными характеристиками и критериями выбора является высота подъема, грузоподъемность и длина платформы.
В комплект поставки подъемника F27 входят высокие адаптеры, что позволяет использовать подъемник для вывешивания автомобилей с обвеской (пороги, молдинги).
Подъемник F27 действительно несложно переместить - силовая установка смонтирована на тележке, которая имеет крепление и колеса для зацепления и перемещения подъемника.
Технические характеристики F27
Страна производства, КитайМощность, кВт 2,2
Грузоподъемность подъемника, кг 2700
Вид подъемника, легковой
Тип привода подъемника, электрогидравлический
Напряжение питания, 220
Цвет, синий
Высота подъема максимальная, мм 1375
Высота подхватов, мм 60/105/175
Длина платформы, мм 1685
Ширина платформы, мм 1030
Время подъема/опускания, сек 30
Габариты, мм, место №1 2300x1080x270
Габариты, мм, место №2 920x400x470
Масса (нетто/брутто) кг 434/451
|
Страна производства
|
Китай |
|
Бренд
|
FLYING (Китай) |
|
Масса
|
434 |
|
Мощность, кВт
|
2,2 |
|
Выс.подъем.для подъемников
|
1375 |
|
Грузоподъемность подъемника
|
2700 |
|
Вид подъемника
|
легковой |
|
Тип привода подъемника
|
электрогидравлический |
|
Напряжение питания
|
220 |
|
Цвет
|
синий |
|
Высота подъема максимальная, мм
|
1375 |
|
Высота подхватов, мм
|
60/105/175 |
|
Длина платформы, мм
|
1685 |
|
Ширина платформы, мм
|
1030 |
|
Время подъема/опускания, сек
|
30 |
|
Габариты, мм, место №1
|
2300x1080x270 |
|
Габариты, мм, место №2
|
920x400x470 |
|
Масса (нетто/брутто) кг
|
434/451 |
Отзывы
Оставить отзыв
Загрузка отзывов...
Вы можете воспользоваться одним из следующих вариантов оплаты:
- Оплата наличными. Мы принимаем наличные деньги (только рубли) через кассовый фискальный аппарат.
- Безналичный расчет для юридических и частных лиц.
- Оплата банковской картой. Оплата происходит через ПАО СБЕРБАНК с использованием Банковских карт следующих платежных систем: VISA, VISA Electron, Maestro, MasterCard, МИР
Товар можно получить одним из следующих способов:
- Самовывоз товара с пункта выдачи по адресу в вашем городе.
- Курьерская доставка с 9-00 до 23-00 по рабочим дням. Покупатель обязуется разгрузить оборудование собственными силами и в кратчайшие сроки. Простой автомобиля оплачивается отдельно.
- Доставка одной из следующих транспортных компаний: "ПЭК" (Первая Экспедиционная Компания), "ЖДЭ" (ЖелДорЭкспедиция), "ЭНЕРГИЯ", "ДЕЛОВЫЕ ЛИНИИ", "СДЭК" и другие.
Похожие товары

